Ir directamente a la información del producto
Hitachi FL180-1 Wheel Loader Parts Catalog Manual SN all

Hitachi FL180-1 Wheel Loader Parts Catalog Manual SN all

$91.63
Impuestos incluidos. Envío calculado en el pago.

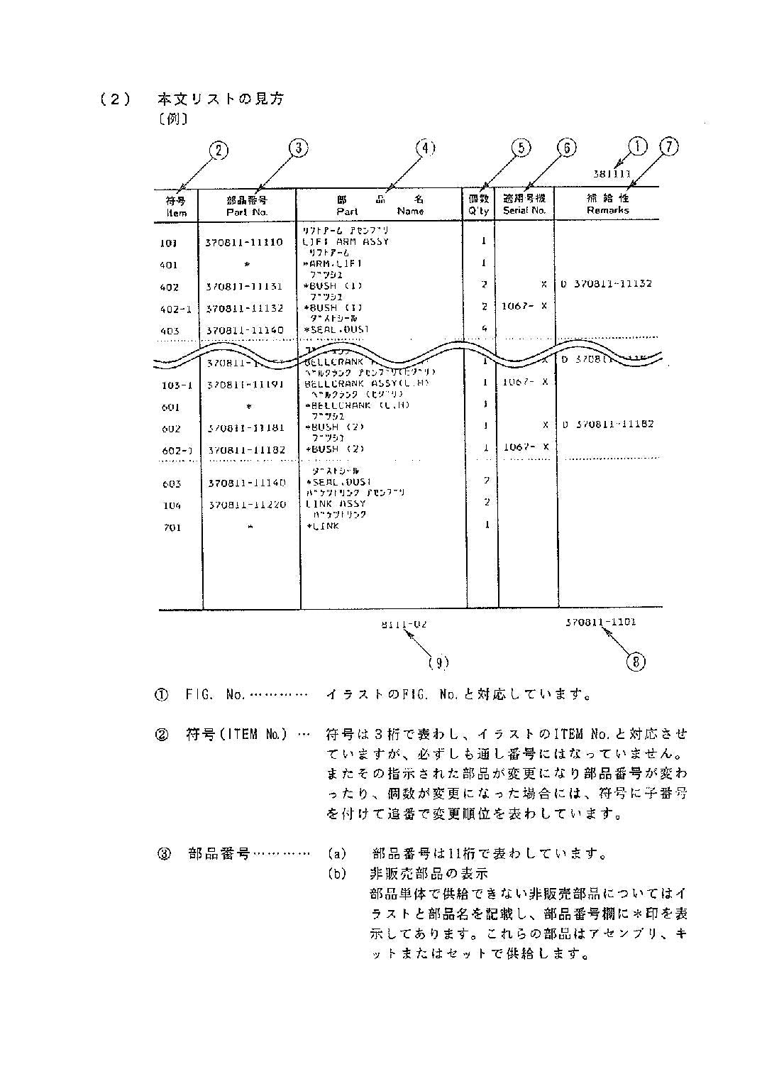
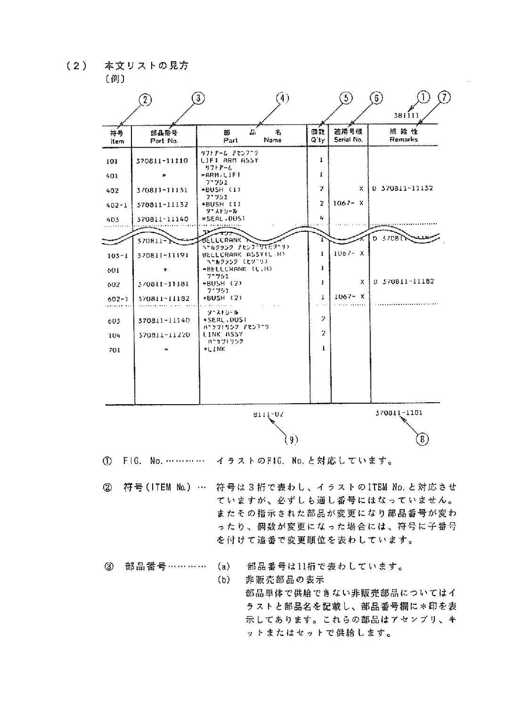
This is paper parts catalog manual from Hitachi, which contains the illustrations, part numbers and other relevant data for their products or parts thereof.

Model: FL180-1
Serial number: All
Parts number: 354991-00011
Language: English
Type: Parts Catalog Manual
Description: New Condition, 320 pages

If you need other books or diagrams for your equipment, please contact us.

Send us SERIAL NUMBER

To ensure you have purchased the correct manual, please send us the serial number of your machine (check the plate on your equipment) and the year of manufacture. We will verify your purchased manual and recommend any additional manuals or diagrams you may need.

SHIPPING & RETURNS

We strive to process and ship all orders in a timely manner, working diligently to ensure that your items are on their way to you as soon as possible. Need to return something? Just let us know.


Fast & Secure Shipping with UPS and DHL

We carefully pack every order to ensure it reaches you in perfect condition. All shipments are sent exclusively via express services UPS or DHL, and a tracking number is provided for every package so you can monitor its delivery status at any time.

You may also like